Rangkaian pengkondisi sinyal merupakan sebuah rangkaian yang memanfaatkan komponen op-amp dimana rangkaian tersebut digunakan untuk mengubah besarnya tegangan sesuai dengan yang kita inginkan. Dalam penerapannya menggunakan output dari sensor sebagai inputan rangkaian pengkondisi sinyal. Karena output sensor biasanya bernilai lemah missal pada salah satu sensor jarak mempunyai tegangan output sebesar -0.3V sampai 0.3V. Bukan hanya sekedar mimpi kita dapat menggerakkan motor yang tegangannya sebesar 12V. Untuk mendapatkan tegangan sebesar 12V maka diperlukan rangkaian pengkondisi sinyal.
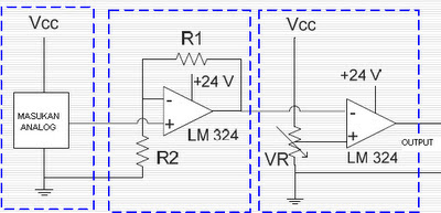
Prinsip kerja rangkaian pengkondisi sinyal dengan modul analog pada Programable Logic Control (PLC) yang menerima input dengan level tegangan analog dengan range 0 - 12 Volt. Ketidaksesuaian level tegangan antara output analog sensor dan input analog PLC dapat kita atasi dengan membuat rangkaian pengkondisi sinyal, dengan menggunakan penguat (amplifier). Dengan memanfaatkan rangkaian penguat inverting dan non-inverting dapat kita aplikasikan menjadi rangkaian pengkondisi sinyal dimana OP-amp yang saya gunakan adalah LM 741.
![]() |
| Gambar Pengkkondisi Sinyal Non-Inverting |

Posting Komentar